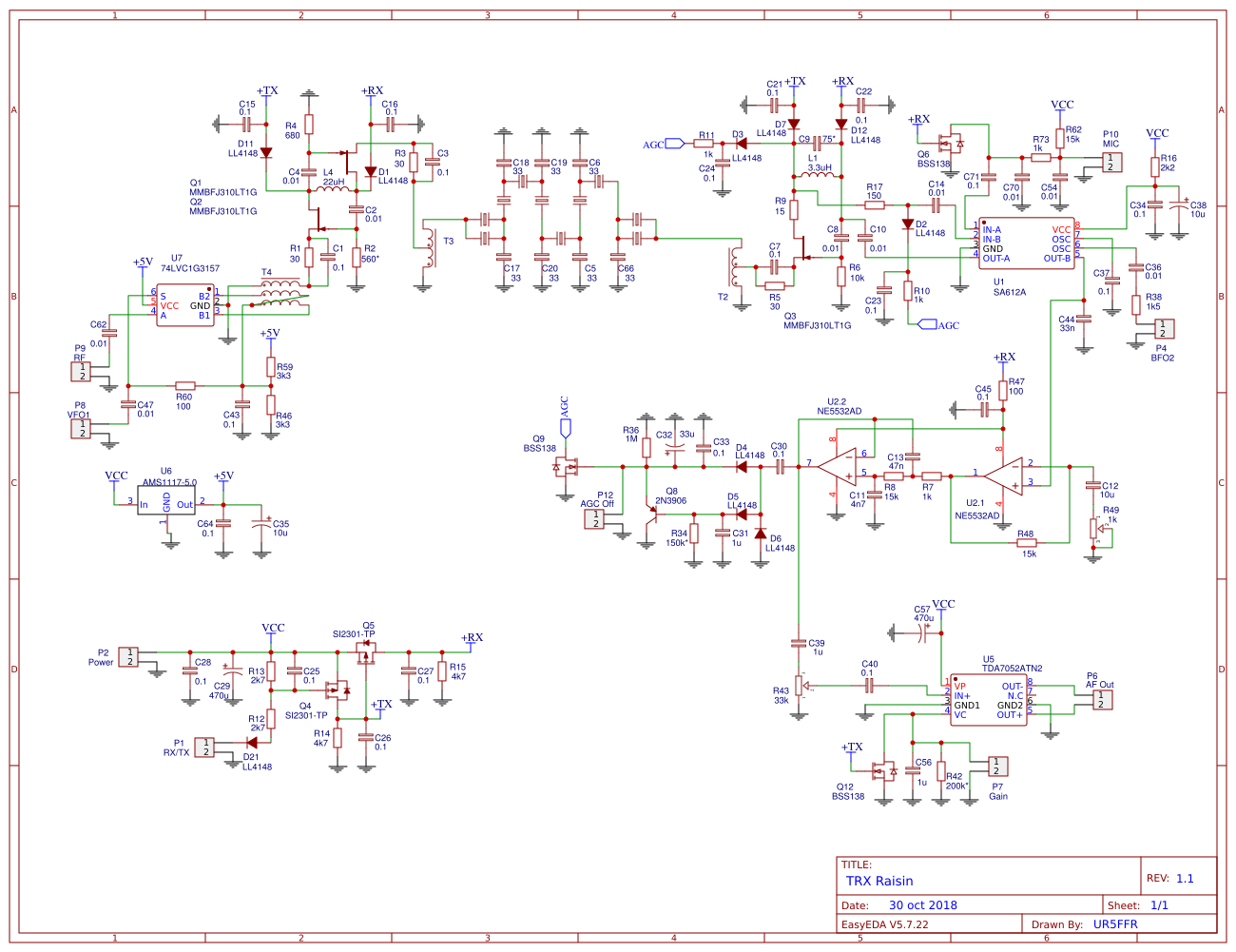
Важно! Последняя версия 1.2 ниже в теме!
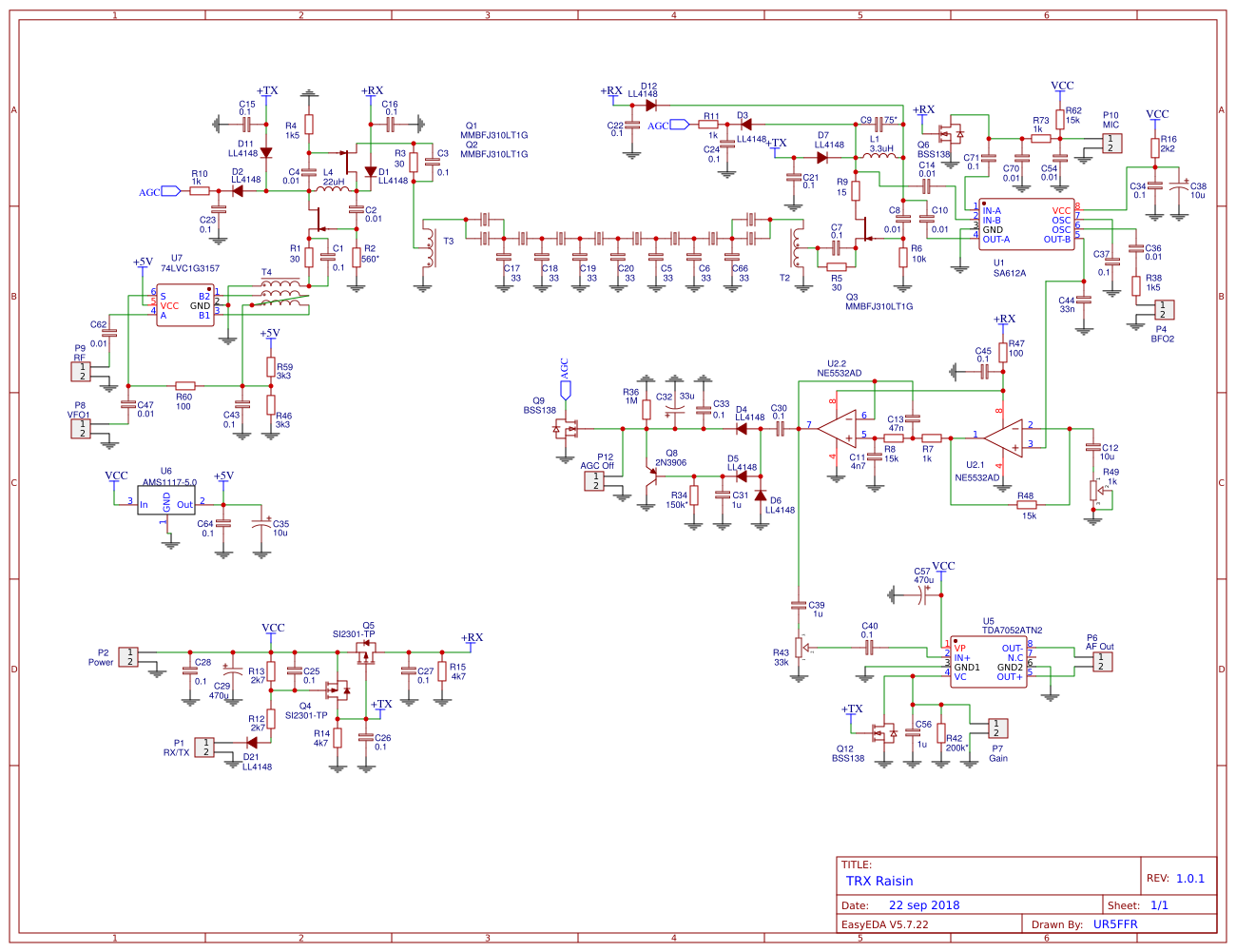
Листал старые журналы, попалась на глаза схема минитрансивера "Изюминка" конструкции UT5LP. При своей простоте в схеме продуманы вопросы согласования кварцевого фильтра и реализована эффективная АРУ. Транисвер содержит реверсивные узлы и его можно рассматривать как некую альтернативу распространенному Клопику, у которого, к сожалению, есть различные недостатки.
За прошедшие с момента публикации 10 лет существенно расширилась доступная элементарная база. Это позволяет некоторые узлы выполнить более компактно и эффективнее. Оставив общую концепцию реверсивных каскадов на полевых транзисторах я модернизировал схему. Что было сделано:
1. Использование сегодня смесителей на диодах выглядит анахронизмом. Поэтому смеситель выполнен на коммутаторе 74LVC1G3157. Это снизило требования к мощности "раскачки" и позволило отказаться от драйвера сигнала ГПД.
2. Первый каскад УПЧ (post-mixer amplifier) выполнен на J310. Немного проигрываем по динамике, но отказываемся от малодоступных ныне КП903.
3. Второй смеситеь выполнен на SA612, что позволило получить лишние 20дб усиления в тракте и отказаться от микрофонного усилителя
4. Предварительный УНЧ и активный ФНЧ выполнен на ОУ. Оконечный УНЧ выполнен на TDA7052A. Отсутствие электролитов на выходе УНЧ устраняет щелчки при переключении прием/передача.
5. Реализованан быстрая АРУ
6. Реализова электронный переключатель RX/TX
7. Схема была максимально упрощена и полностю переведена на импортные комплектующие
Фрагмент схемы от антенного входа до второго смесителя включительно является полностью реверсивным и работает как на прием, так и на передачу. Первый и второй каскады УПЧ охвачены АРУ на диодах D2D3, работающими в режиме управляемого сопротивления.
С антенного входа до входа второго УПЧ на транзисторе Q3 усиление составляет около 14dB. Второй УПЧ резонансный и совместно со второым смесителем дает еще порядка 45dB усиления.
На ОУ NE5532 выполнен предварительный УНЧ и активный ФНЧ. Резистором R49 устанавливают порог срабатывания системы АРУ. Резистор R43 задает максимальную громкость в наушниках/динамике, т.к. при работе АРУ напряжение на выходе предварительного УНЧ составляет порядка 600-700мв, что много для TDA7052 у которой Кус составляет 40dB.
Система быстрой АРУ на D4D5D6Q8Q9 подробно описана в [2] и особенностей не имеет.
В трансивере применен самодельный 10ти кристальный QER-фильтр на резонаторах на частоту 11.059MHz с характеристическим сопротивлением 200ом.
Трансформаторы T2T3 намотаны скруткой в два провода и содержат 8 витков на кольцах K7 проницаемостью 1500. Трансформатор T4 - скруткой в три провода 10 витков на кольце К10 проницаемостью 1500.
L4 - стандартный дроссель. L1 - 32 витка на кольце T37-6
Конденсатор C9 подбирают при настройке по максимуму сигнала на выходе тракта в режиме приема.
В разъем P7 подключается резистор 100к для регулировки громкости. Разъем P12 можно использовать для отключения АРУ или для снятия сигнала на S-метр. Электретный микрофон подключается к разъему P10. Для перехода в режим передачи на вход P1 надо подать низкий логический уровень либо замкнуть его на землю.
В качестве ГПД используется синтезатора на SI5351, который генерирует так же частоту второго гетеродина (вход BFO)
Напряжение питания платы - 12в.
Основная плата трансивера собрана с использованием SMD компонент типоразмера 1206/0805 и имеет размеры 75мм на 85мм. Печатная плата односторонняя. Вторая сторона залита "землей". Цепи питания и АРУ разведены перемычками
Проект доступен для модификации на сайте EasyEDA https://easyeda.com/ban.relayer/trx-raisin-1-0
Печатка и схема в формате PDF
Литература
1. С.Левченко, Минитрансивер "Изюминка", Радиомир КВ и УКВ №12 2009
2. Белоконь А.Н. UR5FFR, Трансивер с преобразованием вверх Phoenix (Феникс)
3. Реверсивные усилители
Трансивер Raisin (Изюминка)
Re: Трансивер Raisin (Изюминка)
Сегодня провел измерения динамики тракта. При подаче двухтонового сигнала с уровнем -10dBm приведенный ко входу продукт интермодуляции составил -69dBm (=77uV). Соответственно точка перехвата третьего порядка по входу составляет
IIP3 = -10 + (-10 - (-69))/2 = 19.5dBm
Чувствительность измерить достаточно сложно, т.к. тракт не экранирован и много посторонних наводок. Но сигнал с уровнем 0,3uV слышен. Можно оценить чувствительность исходя из рассчетного NF (noise figure). Смеситель у нас имеет NF=6dB, каскад усилителя на J310 после смесителя имеет согласно даташита 1dB, примем его NF=2dB с запасом. Еще 3dB мы потеряем в ДПФ. Итого NF тракта составит 12dB. Для полосы 3кГц и отношении С/Ш=10dB получим чувствительность равную
MDS = -174 + 12 + 10*log(3000) = -128dBm
чувствительность = MDS + 10 = -118dBm = 0.28uV
Динамический диапазон составит
DR3 = 2*(IIP3 - MDS)/3 = 98.3dB
Я считаю что для такого простого тракта параметры просто превосходные.
IIP3 = -10 + (-10 - (-69))/2 = 19.5dBm
Чувствительность измерить достаточно сложно, т.к. тракт не экранирован и много посторонних наводок. Но сигнал с уровнем 0,3uV слышен. Можно оценить чувствительность исходя из рассчетного NF (noise figure). Смеситель у нас имеет NF=6dB, каскад усилителя на J310 после смесителя имеет согласно даташита 1dB, примем его NF=2dB с запасом. Еще 3dB мы потеряем в ДПФ. Итого NF тракта составит 12dB. Для полосы 3кГц и отношении С/Ш=10dB получим чувствительность равную
MDS = -174 + 12 + 10*log(3000) = -128dBm
чувствительность = MDS + 10 = -118dBm = 0.28uV
Динамический диапазон составит
DR3 = 2*(IIP3 - MDS)/3 = 98.3dB
Я считаю что для такого простого тракта параметры просто превосходные.
Re: Трансивер Raisin (Изюминка)
ГПД надо приличной амплитуды, порядка 1Vpp или больше прямоугольной формы. Второй гетеродин можно реализовать на самой SA612 если подключить к ней кварц по стандартной схеме. Если второй гетеродин берется с синтезатора то надо подобрать амплитуду порядка 200мв на 6й ноге с помощью R38
Еще некоторые цифры. Усиление со входа до выхода SA612 составляет 62dB (АРУ отключена). Распределяется оно следующим образом:
смеситель -6dB
postmixer amp +20dB
кварцевый фильтр -4dB
УПЧ +34dB
SA612 +18dB
Порог срабатывания АРУ составляет около 500mV на выходе U2.1. Исходя из этого выбирается номинал R49. Например для порога 10uV общее усиление составит 500mV/10uV=94dB, а требуемое усиление УНЧ 94-62=32dB или 40 раз. Соответственно R49~=385ом
Кварцевый фильтр собран на резонаторах на частоту 11.0592MHz типа "лодочка". По своему типу это LSB-фильтр, использование его как USB влечет ухудшение подавления нерабочей боковой полосы. У меня получились следующие цифры: подавление нерабочей боковой в режиме LSB - 65db, в режиме USB - 50dB
Еще некоторые цифры. Усиление со входа до выхода SA612 составляет 62dB (АРУ отключена). Распределяется оно следующим образом:
смеситель -6dB
postmixer amp +20dB
кварцевый фильтр -4dB
УПЧ +34dB
SA612 +18dB
Порог срабатывания АРУ составляет около 500mV на выходе U2.1. Исходя из этого выбирается номинал R49. Например для порога 10uV общее усиление составит 500mV/10uV=94dB, а требуемое усиление УНЧ 94-62=32dB или 40 раз. Соответственно R49~=385ом
Кварцевый фильтр собран на резонаторах на частоту 11.0592MHz типа "лодочка". По своему типу это LSB-фильтр, использование его как USB влечет ухудшение подавления нерабочей боковой полосы. У меня получились следующие цифры: подавление нерабочей боковой в режиме LSB - 65db, в режиме USB - 50dB
Re: Трансивер Raisin (Изюминка)
Тюнинг
Измеренные выше цифры уровня интермодуляционных искажений и динамического диапазона были получены при отключенной системе АРУ. В реальной работе они будут хуже. Причина этого в регулировке усиления в первом каскаде УПЧ Q1Q2 (post mixer amplifier).
Самый простое решение состоит в том, чтобы исключить цепочку АРУ R10C23D2. Кроме этого номинал R4 имеет смысл уменьшить до 560-680ом, тем самым снизив Кус каскада и улучшив его перегрузочную способность.
Но при таком решении умешьтся глубина АРУ до ~55дБ, что можт оказаться мало.
Увеличить глубину АРУ можно включив дополнительную цепочку перед вторым смесителем как показано на следующей схеме:
При такой доработке глубина АРУ увеличивается до 75dB: при изменении уровня входного сигнала от 30uV до ~150mV выходное напряжение изменяется в 2 раза (6dB).
Полная схема доработанного тракта:
Страница версии 1.1 на EasyEDA https://easyeda.com/ban.relayer/trx-raisin-1-1
Печатка для ЛУТ и схема одним архивом
Измеренные выше цифры уровня интермодуляционных искажений и динамического диапазона были получены при отключенной системе АРУ. В реальной работе они будут хуже. Причина этого в регулировке усиления в первом каскаде УПЧ Q1Q2 (post mixer amplifier).
Самый простое решение состоит в том, чтобы исключить цепочку АРУ R10C23D2. Кроме этого номинал R4 имеет смысл уменьшить до 560-680ом, тем самым снизив Кус каскада и улучшив его перегрузочную способность.
Но при таком решении умешьтся глубина АРУ до ~55дБ, что можт оказаться мало.
Code: Select all
С одним регулирующим звеном АРУ выходит на режим при входном сигнале 30uV. При увеличении входного сигнала на 55dB (до ~15mV) уровень выходного сигнала увеличивается в 2 раза (6dB). При такой доработке глубина АРУ увеличивается до 75dB: при изменении уровня входного сигнала от 30uV до ~150mV выходное напряжение изменяется в 2 раза (6dB).
Полная схема доработанного тракта:
Страница версии 1.1 на EasyEDA https://easyeda.com/ban.relayer/trx-raisin-1-1
Печатка для ЛУТ и схема одним архивом
Re: Трансивер Raisin (Изюминка)
В собранном виде
- Attachments
-
- DSCF6385.jpg (231.25 KiB) Viewed 65786 times
-
- DSCF6384.jpg (401.38 KiB) Viewed 65786 times
-
- DSCF6382.jpg (295.38 KiB) Viewed 65786 times
Re: Трансивер Raisin (Изюминка)
Новая версия 1.2
С учетом накопившихся замечаний и пожеланий сделал очередную версию Изюминки. Что нового:
1. Печатка полностью переразведена под 0805. Размер уменьшен до 75х60мм
2. Добавлен подстроечный резистор для балансировки SA612
3. Добавлены антипаразитные резисторы в стоках J310 препятствующие самовозбуждению на СВЧ
4. Добавлен простой пассивный ФНЧ перед УНЧ
5. Добавлен дополнительный усилитель и детектор для S-метра - дает более растянутую шкалу в области малых значений и больший уровень напряжения на выходе - максимум 8 вольт. При подключении к АЦП синтезаторов нужен делитель!
Так же для трансивера был разработан 5ти диапазонный блок ДПФ с электронной коммутацией, аттенюатором и УВЧ. Пдробнее он описан тут: Блок 5ти диапазонных ДПФ для TRX Raisin
Собранная основная плата и плата ДПФ
Схема рассчитана на использование КФ с характеристическим сопротивлением около 300 ом.
Собранная схема в особой наладке не нуждается. Необходимо проверить соответствие напряжений в контрольных точках и выставить минимум несущей в режиме передачи на истоке Q3.
Питание - 12в. Потребление тока около 80-100мА в зависимости от громкости.
Трансформаторы T2T3 намотаны скруткой в два провода и содержат 7-8 витков на кольцах K7 проницаемостью 1000-2000. Трансформатор T4 - скруткой в три провода 10 витков на кольце К10 проницаемостью 1000-2000.
L4 - стандартный дроссель. L1 - 32 витка на кольце T37-6. Можно использовать отечественные кольца проницаемостью 20-30 и пересчитать количество витков до получения нужной индуктивности
проекты открыты для клонирования/правок и генерации герберов на сервисе EasyEDA:
https://easyeda.com/ban.relayer/trx-raisin-1-2
https://easyeda.com/ban.relayer/bpf-raisin-1-0
Литература
1. Блок 5ти диапазонных ДПФ для TRX Raisin
С учетом накопившихся замечаний и пожеланий сделал очередную версию Изюминки. Что нового:
1. Печатка полностью переразведена под 0805. Размер уменьшен до 75х60мм
2. Добавлен подстроечный резистор для балансировки SA612
3. Добавлены антипаразитные резисторы в стоках J310 препятствующие самовозбуждению на СВЧ
4. Добавлен простой пассивный ФНЧ перед УНЧ
5. Добавлен дополнительный усилитель и детектор для S-метра - дает более растянутую шкалу в области малых значений и больший уровень напряжения на выходе - максимум 8 вольт. При подключении к АЦП синтезаторов нужен делитель!
Так же для трансивера был разработан 5ти диапазонный блок ДПФ с электронной коммутацией, аттенюатором и УВЧ. Пдробнее он описан тут: Блок 5ти диапазонных ДПФ для TRX Raisin
Собранная основная плата и плата ДПФ
Схема рассчитана на использование КФ с характеристическим сопротивлением около 300 ом.
Собранная схема в особой наладке не нуждается. Необходимо проверить соответствие напряжений в контрольных точках и выставить минимум несущей в режиме передачи на истоке Q3.
Питание - 12в. Потребление тока около 80-100мА в зависимости от громкости.
Трансформаторы T2T3 намотаны скруткой в два провода и содержат 7-8 витков на кольцах K7 проницаемостью 1000-2000. Трансформатор T4 - скруткой в три провода 10 витков на кольце К10 проницаемостью 1000-2000.
L4 - стандартный дроссель. L1 - 32 витка на кольце T37-6. Можно использовать отечественные кольца проницаемостью 20-30 и пересчитать количество витков до получения нужной индуктивности
проекты открыты для клонирования/правок и генерации герберов на сервисе EasyEDA:
https://easyeda.com/ban.relayer/trx-raisin-1-2
https://easyeda.com/ban.relayer/bpf-raisin-1-0
Литература
1. Блок 5ти диапазонных ДПФ для TRX Raisin
Re: Трансивер Raisin (Изюминка)
Некоторые замечания по схеме и сборке.
1) Система АРУ имеет достаточно высокую крутизну и большой диапазон регулировки (см. выше по теме). Но в большинстве случаев схема может быть упрощена исключением D2R10C23 и заменой R17 перемычкой
2) Резистор R62 нужно подобрать под конкретный микрофон, т.к. имеем место быть разброс параметров
3) Уровень сигнала на выходе тракта в режиме передачи можно варьировать изменяя номинал R2 - его увеличение приводит к росту напряжения.
4) По желанию R49 можно вывести на лицевую панель, т.к. он определяет порог начала срабатывания системы АРУ. На НЧ диапазонах с высоким уровнем шума кроме включения аттенюатора имеет смысл увеличивать порог АРУ, а на ВЧ бендах соответственно уменьшать.
5) Сигнал для S-метра получается с отдельного детектора на D8D9. Изменяя номиналы C50R29 можно управляеть его постоянной времени. Сигнал на детектор подается через усилитель на Q7 с Кус порядка 10. Это связано с тем, что на выходе УНЧ U2.2 система АРУ удерживает сигнал не более 500-700мв. Но диодный детектор на кремниемых диодах имеет сильную нелинейность в области менее 200мв и практически там "слепнет". В результате если детектировать сигнал без дополнительного усиления то S-метр имеет высокий порог срабатывания и отображает лишь небольшой диапазон входных сигналов.
6) Емкость C71 обеспечивает подъем ВЧ в спектре сигнала при передаче. Завал на частоте 300Гц по сравнению с 1кГц составляет 3дб. Если необходима линейная АЧХ в области низких частот то надо увеличить емкость C71 до 1uF
7) Балансировку смесителя в режиме передачи с помощью R21 производят контролируя остаточное напряжение гетеродина на истоке Q3
8) R60 можно увеличить до 1.5к - это снизит нагрузку на гетеродин и позволит SI5351 работать с меньшим током (4мА)
9) АРУ имеет смысл отстраивать так, чтобы S9 на шкале соответствовало 400-500мв на выходе U2.2
Список компонент в Имраде:
Полупроводники
https://imrad.com.ua/ru/sn74lvc1g3157dbvr
https://imrad.com.ua/ru/tda7052a-n2-product-41380
https://imrad.com.ua/ru/ne5532dr
https://imrad.com.ua/ru/l78l05abutr
https://imrad.com.ua/ru/mmbfj310
https://imrad.com.ua/ru/bss138-product-41454
https://imrad.com.ua/ru/si2301bds-t1-e3
https://imrad.com.ua/ru/bfr93a-215
https://imrad.com.ua/ru/bc847c-235
https://imrad.com.ua/ru/bc857c-235 (замена 2N3906)
https://imrad.com.ua/ru/ll4148-product-121111
Подстроечные конденсаторы
https://imrad.com.ua/ru/tz03z100f169-2-7-10-0pf
https://imrad.com.ua/ru/tz03z300f169-6-2-30-0pf
https://imrad.com.ua/ru/tz03z600f169-10-0-60-0pf
Дроссели
https://imrad.com.ua/ru/ec24-150k-lga03 ... duct-44692
https://imrad.com.ua/ru/ec24-100k-lga0307-100k
https://imrad.com.ua/ru/ec24-6r8k-lga03 ... duct-44695
https://imrad.com.ua/ru/ec24-4r7k-lga0307-4r7k
https://imrad.com.ua/ru/ec24-3r3k-lga03 ... duct-47574
https://imrad.com.ua/ru/ec24-2r2k-lga0307-2r2k
https://imrad.com.ua/ru/ec24-470k-lga0307-470k
https://imrad.com.ua/ru/ec24-220k-lga0307-220k
https://imrad.com.ua/ru/lqm21nnr10k10d (100nH поставить два последовательно вместо 220nH)
1) Система АРУ имеет достаточно высокую крутизну и большой диапазон регулировки (см. выше по теме). Но в большинстве случаев схема может быть упрощена исключением D2R10C23 и заменой R17 перемычкой
2) Резистор R62 нужно подобрать под конкретный микрофон, т.к. имеем место быть разброс параметров
3) Уровень сигнала на выходе тракта в режиме передачи можно варьировать изменяя номинал R2 - его увеличение приводит к росту напряжения.
4) По желанию R49 можно вывести на лицевую панель, т.к. он определяет порог начала срабатывания системы АРУ. На НЧ диапазонах с высоким уровнем шума кроме включения аттенюатора имеет смысл увеличивать порог АРУ, а на ВЧ бендах соответственно уменьшать.
5) Сигнал для S-метра получается с отдельного детектора на D8D9. Изменяя номиналы C50R29 можно управляеть его постоянной времени. Сигнал на детектор подается через усилитель на Q7 с Кус порядка 10. Это связано с тем, что на выходе УНЧ U2.2 система АРУ удерживает сигнал не более 500-700мв. Но диодный детектор на кремниемых диодах имеет сильную нелинейность в области менее 200мв и практически там "слепнет". В результате если детектировать сигнал без дополнительного усиления то S-метр имеет высокий порог срабатывания и отображает лишь небольшой диапазон входных сигналов.
6) Емкость C71 обеспечивает подъем ВЧ в спектре сигнала при передаче. Завал на частоте 300Гц по сравнению с 1кГц составляет 3дб. Если необходима линейная АЧХ в области низких частот то надо увеличить емкость C71 до 1uF
7) Балансировку смесителя в режиме передачи с помощью R21 производят контролируя остаточное напряжение гетеродина на истоке Q3
8) R60 можно увеличить до 1.5к - это снизит нагрузку на гетеродин и позволит SI5351 работать с меньшим током (4мА)
9) АРУ имеет смысл отстраивать так, чтобы S9 на шкале соответствовало 400-500мв на выходе U2.2
Список компонент в Имраде:
Полупроводники
https://imrad.com.ua/ru/sn74lvc1g3157dbvr
https://imrad.com.ua/ru/tda7052a-n2-product-41380
https://imrad.com.ua/ru/ne5532dr
https://imrad.com.ua/ru/l78l05abutr
https://imrad.com.ua/ru/mmbfj310
https://imrad.com.ua/ru/bss138-product-41454
https://imrad.com.ua/ru/si2301bds-t1-e3
https://imrad.com.ua/ru/bfr93a-215
https://imrad.com.ua/ru/bc847c-235
https://imrad.com.ua/ru/bc857c-235 (замена 2N3906)
https://imrad.com.ua/ru/ll4148-product-121111
Подстроечные конденсаторы
https://imrad.com.ua/ru/tz03z100f169-2-7-10-0pf
https://imrad.com.ua/ru/tz03z300f169-6-2-30-0pf
https://imrad.com.ua/ru/tz03z600f169-10-0-60-0pf
Дроссели
https://imrad.com.ua/ru/ec24-150k-lga03 ... duct-44692
https://imrad.com.ua/ru/ec24-100k-lga0307-100k
https://imrad.com.ua/ru/ec24-6r8k-lga03 ... duct-44695
https://imrad.com.ua/ru/ec24-4r7k-lga0307-4r7k
https://imrad.com.ua/ru/ec24-3r3k-lga03 ... duct-47574
https://imrad.com.ua/ru/ec24-2r2k-lga0307-2r2k
https://imrad.com.ua/ru/ec24-470k-lga0307-470k
https://imrad.com.ua/ru/ec24-220k-lga0307-220k
https://imrad.com.ua/ru/lqm21nnr10k10d (100nH поставить два последовательно вместо 220nH)
Re: Трансивер Raisin (Изюминка)
Вопросы и обсуждение тут: http://www.ur5fffr.com/viewtopic.php?f=11&t=267
Re: Трансивер Raisin (Изюминка)
Прислали несколько видео