Смеситель на дифкаскаде с нестандартным включением

Post Reply
UR5FFR
Site Admin
Posts: 2338
Joined: 21 Apr 2012, 22:00
Позывной: UR5FFR
Location: Odessa

Смеситель на дифкаскаде с нестандартным включением

Post by UR5FFR »

Работаю над проектом лампового трансивера. Занимался макетированием различных узлов, в том числе и смесителей.
Столкнулся с тем что часто используемые смесители на одном триоде с подачей гетеродина в катод, либо на двух триодах, включенных параллельно с подачей гетеродина на одну из сеток имеют сравнительно низкий коэффициент передачи.
product_detector_1.png
product_detector_1.png (31.98 KiB) Viewed 105460 times
В поисках путей улучшения решил проверить следующую схему (Радіо 12/1977)
product_detector_3.png
product_detector_3.png (149.68 KiB) Viewed 105460 times
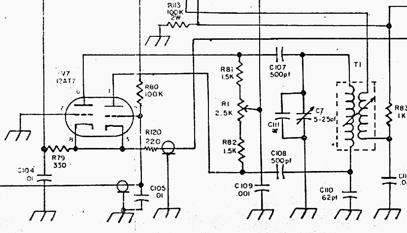
В ламповой версии она выглядит следующим образом
product_detector_2.png
product_detector_2.png (32.76 KiB) Viewed 105460 times
В результате получил прирост усиления до 12дб а так же примерно на 3-4дб меньший пролаз сигнала гетеродина на выход.

Схема на первый взгляд выглядит несколько странно. Правый триод выглядит "лишним" - вроде как он ничего не делат. А вот нет - если его исключить то мы получим обычный смеситель на одном триоде с подачей гетеродина в катод. Его усиление порядка -3дб - я это проверял экспериметально. То есть триод что-то все же делает.

Ладно, "ненужный" триод оставляем. Но логичнее было бы снимать сигнал не с левого триода, а с правого. Это было проверено с несколько странным результатом - коэффициент усиления существенно упал!
new_mixer.png
Чтобы разобраться нужен ли тут "лишний" триод, и как вообще работает эта схема я взял ручку, листик и написал основные уравнения.
Будем анализировать только отрицательную полуволну гетеродина так как при положительной триод полностью заперт.
Для начала рассмотрим простой смеситель на одном триоде. Для упрощения взят полевой транзистор - лампы ведут себя точно так же.
mix1.png
mix1.png (11.2 KiB) Viewed 105460 times
Полевой транзистор работает очень просто - Id=S*Ugs. Тут S - крутизна, Id - ток стока, Ugs - напряжение затвор-исток.
Найдем усиление этого каскада.
mix1 gain.png
mix1 gain.png (42.4 KiB) Viewed 105460 times
Теперь рассмотрим схему на двух триодах
mix2.png
mix2.png (13.6 KiB) Viewed 105460 times
Найдем ее усиление
mix2 gain1.png
mix2 gain1.png (21.53 KiB) Viewed 105460 times
Находим из этой системы уравнений ток I1
mix2 gain2.png
mix2 gain2.png (60.42 KiB) Viewed 105460 times
Чтобы понять насколько усиление схемы с двумя триодами будет больше/меньше чем у схемы на одном триоде найдем отношение коэффициентов усиления
mix2 gain3.png
mix2 gain3.png (23.21 KiB) Viewed 105460 times
Вторая схема с "лишним" триодом будет иметь в dG раз большее усиление. Видим что всегда dG > 1, то есть вторая схема выигрывает у первой.

Чтобы окончательно поставить точку в том лишний ли "лишний" триод найдем ток через него
mix2 gain4.png
mix2 gain4.png (9.89 KiB) Viewed 105460 times
Видно что ток через него зависит от тока через первый триод. Более того - ток с отрицательным знаком. То есть когда левый триод открывается, правый - закрывается. И наоборот. Классическое поведение дифкаскада.

Смеситель не претендует на сверхдинамичность и может найти применение в простых конструкциях приемников и трансиверов
UR5FFR
Site Admin
Posts: 2338
Joined: 21 Apr 2012, 22:00
Позывной: UR5FFR
Location: Odessa

Re: Смеситель на дифкаскаде с нестандартным включением

Post by UR5FFR »

Выходной сигнал можно так же снимать с обоих триодов, используя симетрирующий трансформатор. При этом сущесвтенно улучшается подавление сигнала гетеродина на выходе смесителя.
На следующей схеме изображен балансный смеситель/модулятор
new_modulator2.png
new_modulator2.png (49.87 KiB) Viewed 105415 times
Пенсіонер
Posts: 8
Joined: 02 Oct 2023, 13:34

Re: Смеситель на дифкаскаде с нестандартным включением

Post by Пенсіонер »

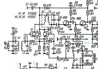
Последняя схема похожа на это (Galaxy V):
Galaxy V DSB modulator.png

Ее дальнейшее развитие:
Galaxy GT-550 DSB modulator.png
Galaxy GT-550 DSB modulator.png (177.85 KiB) Viewed 105231 times
Эта схема описана в Р №6 1973 (вырезка из статьи в Amaterske Radio A 1973-01).
UR5FFR
Site Admin
Posts: 2338
Joined: 21 Apr 2012, 22:00
Позывной: UR5FFR
Location: Odessa

Re: Смеситель на дифкаскаде с нестандартным включением

Post by UR5FFR »

Резистор балансировки имеет смысл ставить в катоде как у меня, а не в аноде. Я изначально тоже планировал поставить балансировку в аноде, но макетирование показала что он практически ничего не балансирует. В катодной цепи все гораздо лучше
Пенсіонер
Posts: 8
Joined: 02 Oct 2023, 13:34

Re: Смеситель на дифкаскаде с нестандартным включением

Post by Пенсіонер »

В статье в Amaterske radio сказано, что введение транзистора улучшило работу каскада, но не указано что и насколько улучшилось.
Предполагаю, что подавление несущей, но не думаю что значительно.
UR5FFR
Site Admin
Posts: 2338
Joined: 21 Apr 2012, 22:00
Позывной: UR5FFR
Location: Odessa

Re: Смеситель на дифкаскаде с нестандартным включением

Post by UR5FFR »

Пенсіонер wrote: 02 Oct 2023, 19:32 В статье в Amaterske radio сказано, что введение транзистора улучшило работу каскада, но не указано что и насколько улучшилось.
Предполагаю, что подавление несущей, но не думаю что значительно.
Я очень скептически отношусь к транзистору в катоде у смесителей. Когда он открыт то напряжение на сетке относительно катода будет равно напряжению насыщения транзистора - для 2N3903 это 0,2в. Если входной сигнал превысит эти самые 0,2в то мы войдем в область сеточных токов, а это существенно уменьшает входное сопротивление. В общем такое. Возможно это имело смысл при накачке синусом, но в случае синтезатора с меандром на мой взгляд это не надо
Пенсіонер
Posts: 8
Joined: 02 Oct 2023, 13:34

Re: Смеситель на дифкаскаде с нестандартным включением

Post by Пенсіонер »

Неожиданное свойство каскада:
SM1.png
SM1.png (147.18 KiB) Viewed 104882 times
SM2.png
SM2.png (126.45 KiB) Viewed 104882 times
Post Reply