Блок ДПФ для SDR

ДПФ. ФСС, КФ, Pi-network, L-match
Post Reply
UR5FFR
Site Admin
Posts: 2299
Joined: 21 Apr 2012, 22:00
Позывной: UR5FFR
Location: Odessa

Блок ДПФ для SDR

Post by UR5FFR »

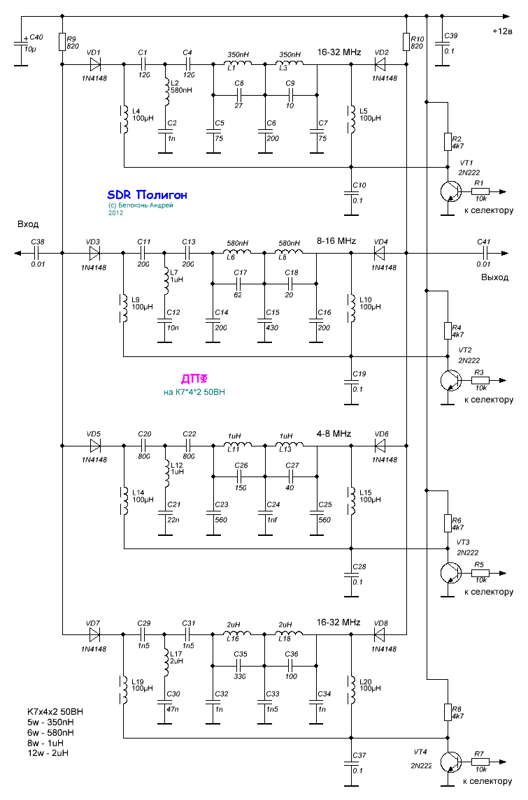
ДПФ были расчитаны из условия максимального подавления паразитного канала приема на третьей гармонике гетеродина.

Вариант для стандартных индуктивностей
ДПФ.GIF
Вариант под колечки К7*4*2 50ВН
ДПФ 50ВН.GIF
применение 1N4148 ограничивает динамику. лучше их заменить на любые коммутационные. я применил отечественные КД409
UR5FFR
Site Admin
Posts: 2299
Joined: 21 Apr 2012, 22:00
Позывной: UR5FFR
Location: Odessa

Re: Блок ДПФ для SDR

Post by UR5FFR »

ниже АЧХ моего фильтра 2-4мгц и 2.5-4мгц из схемы http://ur4qbp.ucoz.ua/_pu/0/31309.jpg
АЧХ моего фильтра помечена зелеными звездочками. маркер на частоте 10,43МГц - это 3я гармоника от 3,8МГц. разница в подавлении паразитного канала приема - 25дб
Attachments
bpf.gif
UT4UUB
Posts: 4
Joined: 12 Jul 2019, 00:10
Позывной: UT4UUB

Re: Блок ДПФ для SDR

Post by UT4UUB »

Доброго времени суток!
Разводилась ли печатка под ДПФ на дросселях?
Заранее спасибо.
UR5FFR
Site Admin
Posts: 2299
Joined: 21 Apr 2012, 22:00
Позывной: UR5FFR
Location: Odessa

Re: Блок ДПФ для SDR

Post by UR5FFR »

Печатки нет - делалось все навесным монтажом на пятачках
UT4UUB
Posts: 4
Joined: 12 Jul 2019, 00:10
Позывной: UT4UUB

Re: Блок ДПФ для SDR

Post by UT4UUB »

Спасибо. Хочу себе для ADTRX повторить. Есть какие-то рекомендации, советы по повторению?
UR5FFR
Site Admin
Posts: 2299
Joined: 21 Apr 2012, 22:00
Позывной: UR5FFR
Location: Odessa

Re: Блок ДПФ для SDR

Post by UR5FFR »

АЧХ желательно контролировать по прибору, особенно если на стандартных дросселях делать т.к. у них высокая собственная емкость обмотки. Как следствие конденсаторы которые в эллиптических звеньях включены параллельно индуктивностям скорее всего придется корректировать в меньшую сторону
Post Reply