Yaesu FT-107 - динозавр из 80х

Post Reply
UR5FFR
Site Admin
Posts: 2315
Joined: 21 Apr 2012, 22:00
Позывной: UR5FFR
Location: Odessa

Yaesu FT-107 - динозавр из 80х

Post by UR5FFR »

На доске ur8lv продают Yaesu FT-107M почти за 4 сотни зеленых президентов. Цена как на мой взгляд слегонца завышенная за такого динозавра, место которому больше в музее. ГПД с параметрической стабилизаций "забудьте про цифровые моды". Преобразование вниз и узкие фильтра, толку от которых на поверку ноль. А все потому, что тракт построен без оглядки на динамику.

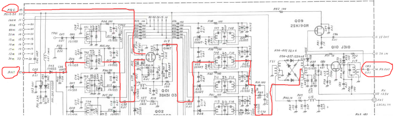
Вот схема фронэнда из сервис мануала
ft107_front_end.png
Сигнал с антенны подается на однокотурный ПФ который полностью включен в затвор неотключаемого УВЧ. Нагрузкой УВЧ служат двухконтурные ПФ, далее стоит обычный кольцевой диодный смеситель. И чтобы еще больше угробить динамику в УВЧ на второй затвор заведен сигнал АРУ, который снижает усиление за счет уменьшения крутизны транзистора при уменьшении тока стока. А как известно чем меньше ток рабочей точки, тем хуже динамика каскада.

В общем типичный пример того как не надо делать фронтэнд. Возможно 40 лет назад такое прокатывало, но сейчас надо признать что 80е давно закончились. Так что аппарат может представлять разве что ретро-интерес для коллекционеров и любителеь олдскульной техники.
Post Reply