Дико извиняюсь , но у меня наболевший вопрос:нету у меня NWTи преобрести , отолжить тоже возможности нет, есть клопик(основная плата) без КФ частотомер , синтизатор пч от нуля
осциллограф, (нч 20кгц) кварцев 76шт разброс 250гц как зделать фильтр ,какой стенд выбрать?
Делаем QER SSB фильтр за полчаса
Re: Делаем QER SSB фильтр за полчаса
Так сделайте NWT - делов то
Re: Делаем QER SSB фильтр за полчаса
Наверно придетсяRelayer wrote:Так сделайте NWT - делов то
Хотя с моими возможностями наверное проще купить
Re: Делаем QER SSB фильтр за полчаса
Можете попробовать собрать генератор шума на стабилитроне (гугль). Фильтр сделать QER, номиналы поставить просто с потолка. На вход тракта подключаете генератор шума. Ару по НЧ отключаете. Усиление НЧ уменьшаете чтобы не было перегруза. С выхода УНЧ сигнал на вход звуковой карты. На компе запускаете любую программу которая может показать спектр аудиосигнала. Увидете АЧХ вашего фильтра. Дальше методом итераций подбираете емкости для получения заданной полосы пропускания. Потом сопротивления источника/нагрузки для получения минимальнйо неравномерности в полосе пропускания.
Re: Делаем QER SSB фильтр за полчаса
Думаю пока для меня самый оптимальный вариант! СПАСИБО!Relayer wrote:Можете попробовать собрать генератор шума на стабилитроне (гугль). Фильтр сделать QER, номиналы поставить просто с потолка. На вход тракта подключаете генератор шума. Ару по НЧ отключаете. Усиление НЧ уменьшаете чтобы не было перегруза. С выхода УНЧ сигнал на вход звуковой карты. На компе запускаете любую программу которая может показать спектр аудиосигнала. Увидете АЧХ вашего фильтра. Дальше методом итераций подбираете емкости для получения заданной полосы пропускания. Потом сопротивления источника/нагрузки для получения минимальнйо неравномерности в полосе пропускания.
Re: Делаем QER SSB фильтр за полчаса
Re: Делаем QER SSB фильтр за полчаса
У меня стоят BB132 которые при 0в имеют порядка 65пф. В моем случае такой емкости хватило для получения минимальной полосы порядка 1.3кГц. А вот минимальную емкость ограничил путем подбора максимального напряжения на варикапах.
При использовании варикапов с меньшей макс. емкостю прийдется ставить параллельно им конденсаторы
При использовании варикапов с меньшей макс. емкостю прийдется ставить параллельно им конденсаторы
Re: Делаем QER SSB фильтр за полчаса
С QER вообще без проблем получаются фильтры.Кстати,к сопротивлению нагрузки они не так критичны,как прочие.Делал на отечественных кварцах 8-кристальный фильтр.Разброс до 170 Гц.При широкой полосе это не существенно,да даже и при узкой(в разумных пределах) с таким разбросом можно получить вполне приличную АЧХ переставляя резонаторы в фильтре.Главное правильно нагрузить по входу и выходу.
Re: Делаем QER SSB фильтр за полчаса
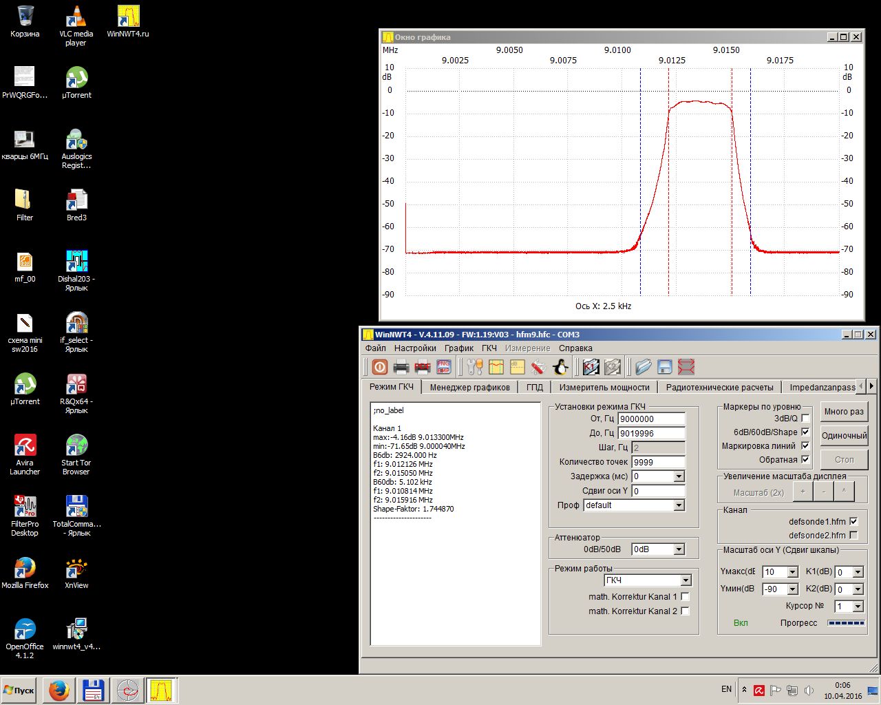
Доброй ночи подскажите насколько хорош этот фильтр годен ли он к употреблениюю Полоса специально такая широкая
- Attachments
-
- nwt_01.pdf
- (17.72 KiB) Downloaded 1443 times
Re: Делаем QER SSB фильтр за полчаса
Не совсем понятно куда вы его будете применять с такой полосой
