с вашей помощью сделал 2 фильтра на скрине красный 1 фильтр,синий второй
я правильно понял что оба фильтра должны быть с одинаковой полосой пропускания?
ещё вопрос если сделать второй фильтр по подобию как в трх Дружба т.е 4 кристальный с регулируемой полосой 
то какую выбрать полосу регулирования?
1 от ширины полосы основного фильтра в меньшую полосу
2 от ширины полосы основного фильтра как меньшую, так и в большую полосу
			
							Делаем QER SSB фильтр за полчаса
Re: Двунаправленный усилитель для КЛОПИКА
- Attachments
- 
			
		
				- 1+2.jpg (60.51 KiB) Viewed 23933 times
 
Re: Делаем QER SSB фильтр за полчаса
На нижнем скате опора -300Hz, на верхнем +300Hz. Ставить опору можно на любом скате. Но надо учитывать подавление соседнего канала. У QER лучше давится соседний канал если опора стоит на верхнем скате (то есть фильтр работает как LSB - нижняя боковая). Разница может достигать 20дб - я это все промерял на "Стрекозе" в живом тракте.
Надо еще учитывать что большинство любительских конструкций расчитано на включение USB-фильтров. Связано это с проблемами реализации высокочастотного ГПД в досинтезаторную эпоху. Поэтому гетеродин старались делать более низкочастотным, а нужную боковую формировать вычитанием из входного сигнала сигнала ГПД. С применением синтезаторов имеет смысл частоту ГПД делать всегда выше частоты приема для минимизации пораженных точек, а сам фильтр использовать как LSB.
И еще один момент - если делать КФ с переменной частотой пропускания (с варикапами) то его можно сделать только как USB, т.к. при изменении емкостей изменяется частота среза верзнего ската
			
			
									
						
										
						Надо еще учитывать что большинство любительских конструкций расчитано на включение USB-фильтров. Связано это с проблемами реализации высокочастотного ГПД в досинтезаторную эпоху. Поэтому гетеродин старались делать более низкочастотным, а нужную боковую формировать вычитанием из входного сигнала сигнала ГПД. С применением синтезаторов имеет смысл частоту ГПД делать всегда выше частоты приема для минимизации пораженных точек, а сам фильтр использовать как LSB.
И еще один момент - если делать КФ с переменной частотой пропускания (с варикапами) то его можно сделать только как USB, т.к. при изменении емкостей изменяется частота среза верзнего ската
Re: Двунаправленный усилитель для КЛОПИКА
Если полоса не регулируется то оба фильтра должны быть с одинаковой полосой. Если во втором фильтре регулируется полоса то она изменяется в меньшую сторонуSergey wrote:с вашей помощью сделал 2 фильтра на скрине красный 1 фильтр,синий второй
я правильно понял что оба фильтра должны быть с одинаковой полосой пропускания?
ещё вопрос если сделать второй фильтр по подобию как в трх Дружба т.е 4 кристальный с регулируемой полосой
то какую выбрать полосу регулирования?
1 от ширины полосы основного фильтра в меньшую полосу
2 от ширины полосы основного фильтра как меньшую, так и в большую полосу
Re: Делаем QER SSB фильтр за полчаса
Андрей, извините,хочу ещё раз уяснить,правильно ли я понял??
			
							
			
									
						
										
						Re: Делаем QER SSB фильтр за полчаса
Да, на графиках все правильно. Но выбор сложение/вычитание связано с исходной боковой полосой принимаемого сигнала и боковой полосой фильтра несколько более сложным образом. В случае если боковые не совпадают то необходимо в смесителе вычитать из частоты VFO частоту принимаемого сигнала. При этом боковая инвертируется. При сложении или вычитании из частоты принимаемого сигнала частоты гетеродина - боковая полоса не инвертируется
			
			
									
						
										
						Re: Делаем QER SSB фильтр за полчаса
Хочу попробовать  с  регулируемым вторым кф,как вы обьясняли выбираю фильтр как  USB , c опорником на нижнем скате фильтра
мне необходимо принимать соответственно
верхнюю боковую на вч диапазонах
нижнюю боковую на нч диапазонах
могу ли я не переключая частоту ОГ принимать нужную боковую? чтото я немного запутался....
как вы писали " смесителе вычитать из частоты VFO частоту принимаемого сигнала. При этом боковая инвертируется" то получаеться (пч у меня 9мгц)
чтобы принять например 7 мгц в нижней боковой я должен выставить частоту VFO 2 МГЦ (9-2)?
Чтобы принять 14 мгц в верхней без изменений ,я должен выбрать частоту VFO 5 мгц (14-5) ?
			
			
									
						
										
						мне необходимо принимать соответственно
верхнюю боковую на вч диапазонах
нижнюю боковую на нч диапазонах
могу ли я не переключая частоту ОГ принимать нужную боковую? чтото я немного запутался....
как вы писали " смесителе вычитать из частоты VFO частоту принимаемого сигнала. При этом боковая инвертируется" то получаеться (пч у меня 9мгц)
чтобы принять например 7 мгц в нижней боковой я должен выставить частоту VFO 2 МГЦ (9-2)?
Чтобы принять 14 мгц в верхней без изменений ,я должен выбрать частоту VFO 5 мгц (14-5) ?
Re: Делаем QER SSB фильтр за полчаса
Фильтр USB 9MHz
Прием LSB 7MHz --> VFO=7+9=16MHz инверсия
Прием USB 14MHz --> VFO=14-9=5MHz нет инверсии
			
			
									
						
										
						Прием LSB 7MHz --> VFO=7+9=16MHz инверсия
Прием USB 14MHz --> VFO=14-9=5MHz нет инверсии
Re: Делаем QER SSB фильтр за полчаса
Спасибо Андрей за помощь,всё получилось
сделал 2 нормальных фильтра
			
							
			
									
						
										
						сделал 2 нормальных фильтра
Re: Делаем QER SSB фильтр за полчаса
сейчас хочу попробовать один заменить перестраиваемым 
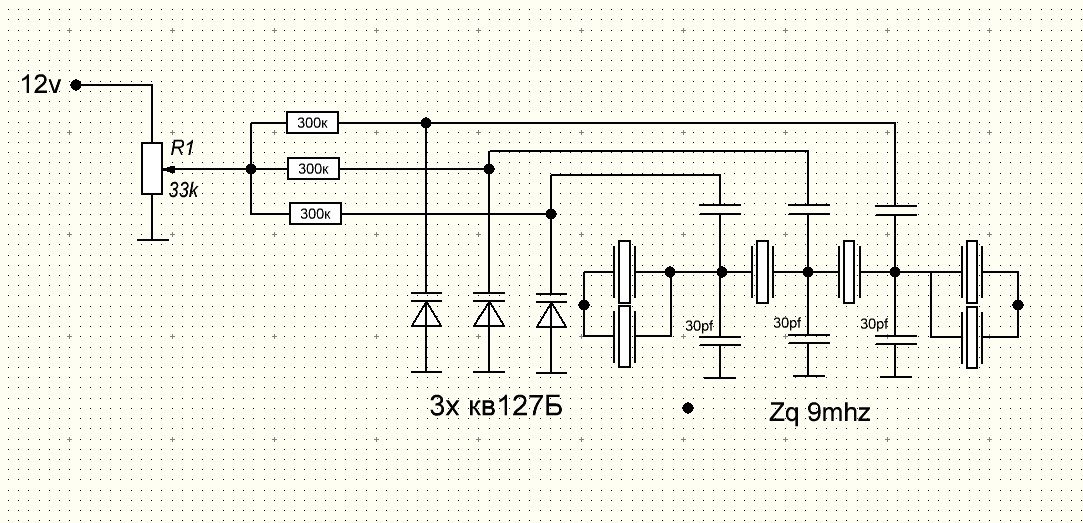
собрал такой макет
варикпы из того что было
промерил изменение ёмкости варикапов
0в-182pf
12в-200пф
необходимо чтобы перестроит ёмкости в фильтре перестраивались от 30 и до 40 пф
получится ли у меня с этими варикапами ?
как расчитать доп конденсаторы?
на практике почему то не получаеться...
			
							
			
									
						
										
						собрал такой макет
варикпы из того что было
промерил изменение ёмкости варикапов
0в-182pf
12в-200пф
необходимо чтобы перестроит ёмкости в фильтре перестраивались от 30 и до 40 пф
получится ли у меня с этими варикапами ?
как расчитать доп конденсаторы?
на практике почему то не получаеться...
Re: Делаем QER SSB фильтр за полчаса
Посмотрите как у меня в DragonFly Pro сделано. Там конденсаторов параллельно варикапам нет. Правда брал я их импортные и из одной партии - то есть с минимальным разбросом. А вот пределы изменения полосы пропускания устанавливаются за счет ограничения диапазона изменения управляющего напряжения. Делается у меня это подбором двух резисторов R67R68.
PS кстати движок переменного резистора надо на землю через конденсатор 0,1u, а номиналы резисторов в цепях смещения варикапов уменьшить с 300ком до 20-30ком
			
			
									
						
										
						PS кстати движок переменного резистора надо на землю через конденсатор 0,1u, а номиналы резисторов в цепях смещения варикапов уменьшить с 300ком до 20-30ком