Универсальный синтезатор Si570/Si5351

EMF
Posts: 9
Joined: 20 May 2021, 18:59
Позывной: UW5EMF

Re: Универсальный синтезатор Si570/Si5351

Post by EMF »

Приветствую всех.Растолкуйте будь ласка ещё раз,что и где надо прописать для вывода управляющих сигналов на А0 А1
для am fm?
SWL
Posts: 94
Joined: 23 Feb 2021, 10:53
Позывной: SWL

Re: Универсальный синтезатор Si570/Si5351

Post by SWL »

EMF wrote:Приветствую всех.Растолкуйте будь ласка ещё раз,что и где надо прописать для вывода управляющих сигналов на А0 А1
для am fm?
Я делал так:
В модуле Syntez.ino почти в конце находите
void UpdateBandCtrl()
и после outBandCtrl.Write(); перед #endif
вставляете

Code: Select all

 
  //  тракты AM и FM
  #define AMPin    A0  // пин A0  AM
  #define FMPin    A1  // пин A1  FM  
  
  pinMode(AMPin, OUTPUT);      
  pinMode(FMPin, OUTPUT);

  digitalWrite(AMPin, trx.state.mode == MODE_AM);   //  пин A0  AM
  digitalWrite(FMPin, trx.state.mode == MODE_FM);    // пин A1  FM     
 
SWL
Posts: 94
Joined: 23 Feb 2021, 10:53
Позывной: SWL

Re: Универсальный синтезатор Si570/Si5351

Post by SWL »

С индикацией все получилось!
Спасибо, Андрей!
Attachments
RX.JPG
SWL
Posts: 94
Joined: 23 Feb 2021, 10:53
Позывной: SWL

Re: Универсальный синтезатор Si570/Si5351

Post by SWL »

UR5VCP wrote:Андрей Николаевич, примерно подскажите...
Логика в том, что я должен двигать опору, и параллельно двигать ГПД, на равные значения, так?
у нас есть модуль RIT.
у нас есть возможность двигать опору в меню.
Нельзя ли их поженить, и двигать ПЧ с ГПД функцией (потенциометром) RIT и отдельной индикацией IF SHIFT ?
Правда в этом режиме или RIT, или IF SHIFT.
Что скажете ?

Пы.Сы. Я уже и кнопку подготовил- FREE пока зовется :)
EMF
Posts: 9
Joined: 20 May 2021, 18:59
Позывной: UW5EMF

Re: Универсальный синтезатор Si570/Si5351

Post by EMF »

SWL Большое Спасибо. работает-сигналы выводятся.
SWL
Posts: 94
Joined: 23 Feb 2021, 10:53
Позывной: SWL

Re: Универсальный синтезатор Si570/Si5351

Post by SWL »

EMF wrote:SWL Большое Спасибо. работает-сигналы выводятся.
это Андрею спасибо- он мне растолковал куда чего :)
UR5VCP
Posts: 196
Joined: 05 Mar 2020, 15:18
Позывной: UR5VCP

Re: Универсальный синтезатор Si570/Si5351

Post by UR5VCP »

2 SWL: Ну я собственно и хотел бы их поженить. Точнее просто сделать при нажатии на отдельно выделенную кнопочку
должно быть включение режима индикации шифтинга, ну или ПБТ если по айкомовски назвать, и валкодером крутим. Все.
Вешать это дело на резюк в принципе тоже можно, но не особо нужно, лучше аналоговый вход на чтото другое заюзать, кроме ксв метра и сметра (а это уже три входа) для полевого варианта хорошо еще и напряжение видеть, при желании ток выходного каскада... Да мало ли...
Рано или поздно бракосочетание состоится )) Пока жду, может Андрей Николаевич все же выделит время, хотя куда более жду новую разработку трансивера.
UR5FFR
Site Admin
Posts: 2316
Joined: 21 Apr 2012, 22:00
Позывной: UR5FFR
Location: Odessa

Re: Универсальный синтезатор Si570/Si5351

Post by UR5FFR »

Пока с временем не очень - несколько проектов одновременно в работе
SWL
Posts: 94
Joined: 23 Feb 2021, 10:53
Позывной: SWL

Re: Универсальный синтезатор Si570/Si5351

Post by SWL »

UR5VCP wrote: Вешать это дело на резюк в принципе тоже можно, но не особо нужно...
Нужно,нужно ;)
У меня 12я клава и только RX, и кнопка свободная. Ну и в скетче А7 заточен на RIT от резюка.
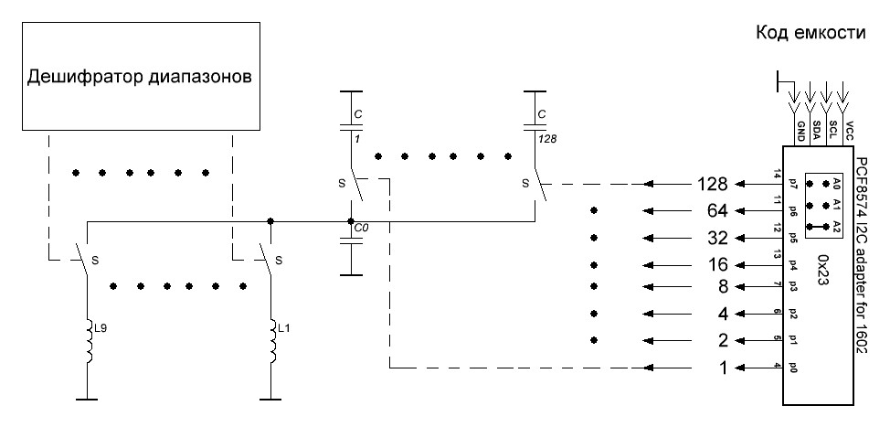
А в целом синтез действительно универсален- почти все мои хотелки реализованы. Еще осталось две-IF Shift, и уход от ДПФ в пользу узкополосного преселектора с переключением индуктивностей цепью включения
ДПФ (как сейчас), и емкостей матрицей кондеров С-2С от отдельного коммутатора с квадратной шиной. В скетче забиваем индуктивности (по одной на диапазон), и по формуле Томпсона ардуинка считает необходимую емкость и коммутирует кондюки. Восьми разрядов хватает за глаза для перекрытия даже 2х мегагерц на нижних диапазонах.
Судя по возможностях синтеза- он справится :D
Кстати- если вывести і2с наружу, то появится возможность управлять внешним преселектором.
Картинка не моя- с интернета(5 разрядов).
Attachments
С-2С.gif
С-2С.gif (4.44 KiB) Viewed 8930 times
SWL
Posts: 94
Joined: 23 Feb 2021, 10:53
Позывной: SWL

Re: Универсальный синтезатор Si570/Si5351

Post by SWL »

Сделал свою картинку

C = 1/(4𲃲L)

PCF8574 I2C adapter for 1602 переделать как по картинке в постах раньше
для работы всеми 8 выходами.
Это пока теория- схемной реализации не прикидывал еще.
Attachments
ВЦ по I2C.JPG
Post Reply