О согласовании кварцевого фильтра
Re: О согласовании кварцевого фильтра
Да, на двухзатворном будет проще. И Кус поболее
Re: О согласовании кварцевого фильтра
Я это вижу как то так.Получится ли данная схема широкополосной ? Или все же По вашей схеме смеситель применить ? И еще вопрос а какое напряжение питания должно быть у этих смесителей ?
Re: О согласовании кварцевого фильтра
Питание 9 вольт обычно. В даташите есть.
По остальному - вы лучше сами
Мой опыт показывает что все советы обычно пропускаются мимо ушей и потом я же сам и виноватый оказываюсь 
По остальному - вы лучше сами
Re: О согласовании кварцевого фильтра
Вот такой каскад можете поставить. Транзистор BFR93. В коллекторе дроссель шунтированный резистором 470ом, потому что у вас нагрузка высокоомная (4к). Uпит=12в. При токе 10мА входное сопротивление 160ом. Кус=5.
Считалка в виде экселя тут http://www.ur5ffr.com/viewtopic.php?p=1847#p1847 - можете пересчитать под свои хотелки
Считалка в виде экселя тут http://www.ur5ffr.com/viewtopic.php?p=1847#p1847 - можете пересчитать под свои хотелки
Re: О согласовании кварцевого фильтра
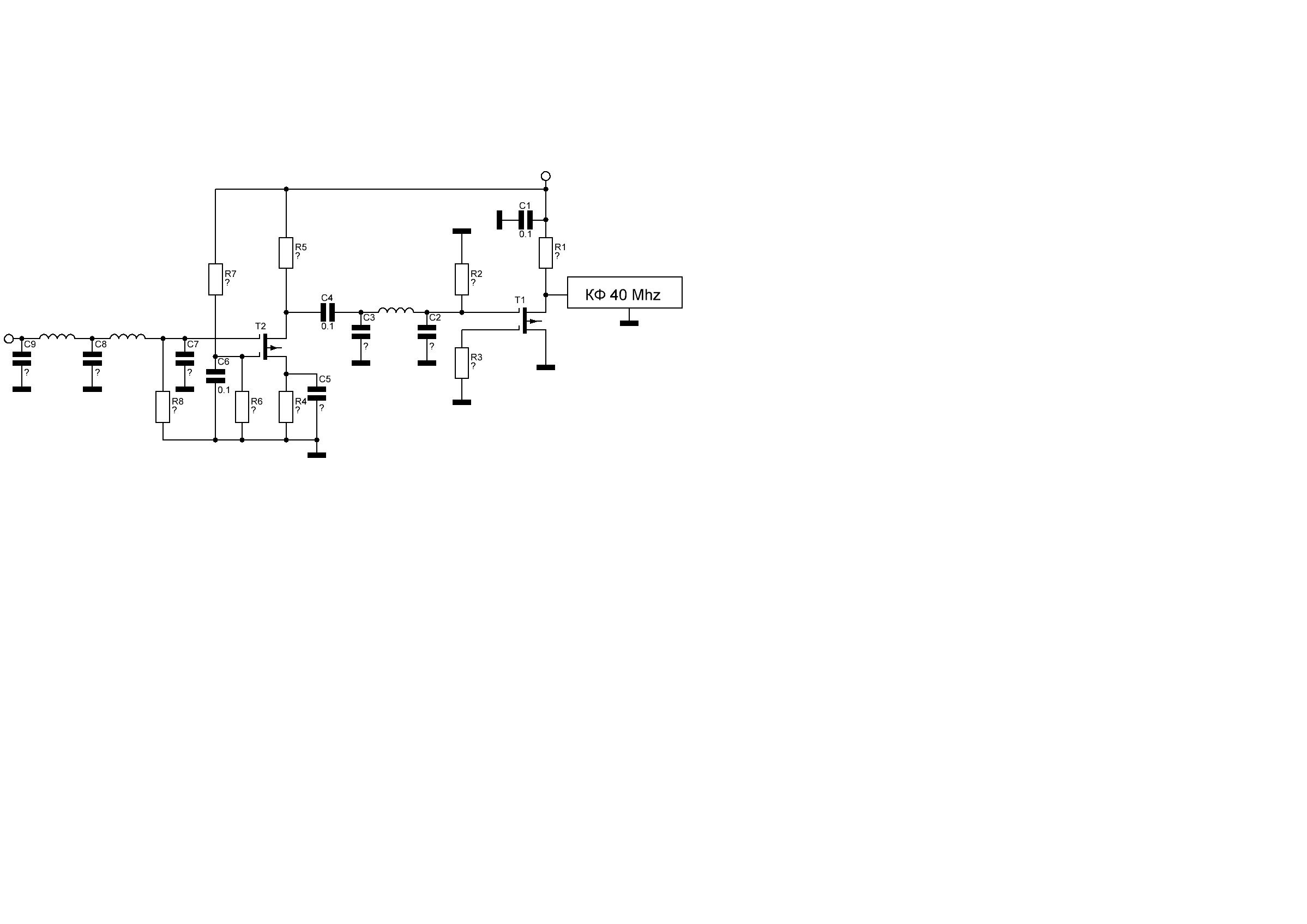
Здравствуйте.Вот приблизительно так я вижу конструкцию целиком.Есть ряд вопросов.Хватит ли чувствительности?И можно ли обойтись фнч по входу.Гляньте пожалуйста,возможно я что то пропустил ?А еще назначение с21 с ним намного лучьше ачх,практически идеальная.И еще вопрос нужен ли фнч L1 ? В промышленных схемах он есть
Re: О согласовании кварцевого фильтра
Если это для укв/чм делается то не надо ставить смеситель на 4ке BF998. Тут лучше поставить активный на одном BF998. В нагрузке КФ, после КФ каскад усиления 12-14дб. И далее уже чм тракт на микросхеме
Re: О согласовании кварцевого фильтра
Планируется для 27-28,50-54.Но так как там есть еще и ам детектор хотелось и кв прихватить .Все же рекомендуете на двухзатворном сделать смеситель ? Токда как его согласовывать с кф ?
Re: О согласовании кварцевого фильтра
В стоке дроссель зашунтированный 150ом и к нему подключить КФ - вот и все согласование
Re: О согласовании кварцевого фильтра
Но лучше поставить в стоке трансформатор 1:2. отвод к КФ, а сам транс зашунтировать резистором 680ом. Без транса будет усилиение низкое очень