Составные транзисторы - пары Darlington и Sziklai

Post Reply
UR5FFR
Site Admin
Posts: 2296
Joined: 21 Apr 2012, 22:00
Позывной: UR5FFR
Location: Odessa

Составные транзисторы - пары Darlington и Sziklai

Post by UR5FFR »

Составной транзистор - это пара из двух транзисторов по следующим схемам
compaund_pair.png
compaund_pair.png (3.98 KiB) Viewed 66429 times
В случае Дарлингтона используются транзисторы одной проводимости, в случае Шиклаи - разной. Важно обратить внимание на эквивалентные выводы такого составного транзистора. Например схема изображенная слева это эмиттерный повторитель, а не каскад с общим эмиттером, как может показаться на первый взгляд. И как следствие она не усиливает сигнал по напряжению а только по току и имеет коэффициент передачи по напряжению порядка 0,99.
sziklai_emitter_follower.png
sziklai_emitter_follower.png (15.97 KiB) Viewed 66429 times
Пара Дарлингтона имеет несколько больший суммарный коэффициент передачи тока, но по некоторым данным [1,2] пара Шиклаи имеет меньшие нелинейные искажения. В частности в [2] утверждается что применение пары Шиклаи позволяет на 10-15 дб увеличить ДД по интермодуляции.

Пару Дарлингтона можно повсеместно встретить в ВЧ усилителях если заглянуть "под капот" MMIC усилителей. Типичная схема выглядит так
mmic_darligton_pair.png
mmic_darligton_pair.png (8.8 KiB) Viewed 66429 times
Литература
1. Compound Pair Vs. Darlington Pairs by Rod Elliott (есть частичный перевод на русский)
2. 1. Бобков А.М. Реальная избирательность РПТ в сложной помеховой обстановке, 2001
UR5FFR
Site Admin
Posts: 2296
Joined: 21 Apr 2012, 22:00
Позывной: UR5FFR
Location: Odessa

Re: Составные транзисторы - пары Darlington и Sziklai

Post by UR5FFR »

Схема Шиклаи (Sziklai pair, complementary feedback pair (CFP)) как-то менее распространена. Попробуем заполнить этот пробел :)
На следующем рисунке слева изображена схема эмиттерного повторителя на паре Шиклаи с Кус~=1. Если мы заменим резистор Rэ на два R1R2, таким образом введя в контур ООС делитель то мы получим схему изображенную справа, которая уже обладает усилением большим 1. Для нее Кус=1+R1/R2.
sziklai_amplifier.png
sziklai_amplifier.png (10.79 KiB) Viewed 66428 times
При этом схема сохраняет все основные свойства эмиттерного повторителя - высокое входное сопротивление и очень низкое выходное (порядка единиц ом и менее). В качестве первого транзистора может быть применен полевой транзистор соответствующей проводимости. Такая схема получила широкое распространение в измерительной аппаратуре для реализации высокоомных щупов. Небольшой калейдоскоп схем (неправильных, но об этом ниже)
BufFig1.gif
BufFig1.gif (4.22 KiB) Viewed 66423 times
shhup1-400x240.png
shhup1-400x240.png (68.25 KiB) Viewed 66428 times
shema.jpg
Щуп-приставка-к-NWT-для-измерения-добротности-и-резонансной-частоты-контуров.gif
Так почему же эти схемы я назвал неправильными? В случае работы на коаксиальный кабель они не согласованы с его волновым сопротивлением и нагрузкой, так как их выходное сопротивление, как я уже говорил выше, составляет единицы/доли ома. Поэтому на их выходе нужно включить резистор с номиналом равным сопротивлению примененного кабеля и входным сопротивлением устройства к которому мы подключаем щуп. Обычно это 50ом.

Например в усилителе для штыревой антенны в приемнике RX2121AM [1] такой резистор стоит, так как если его исключить то рассыпется АЧХ ДПФ, которые предназначены для работы в 50ти омном тракте
Schematic_Whip LNA_2021-08-28.png
Schematic_Whip LNA_2021-08-28.png (39.83 KiB) Viewed 66428 times
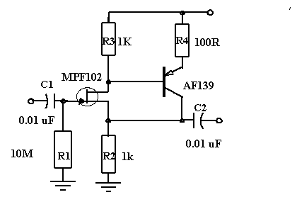
Я не одинок в своем мнении - в сети можно найти достаточно старую схему активного усилителя для антенны. Обратите внимание на резистор номиналом 56ом на выходе для согласования с кабелем и входным импедансом приемника
whip_amp_old.png
whip_amp_old.png (129.18 KiB) Viewed 66428 times
Интересно, что в этом усилителе второй транзистор заменен все на ту же пару Шеклаи. Такая замена имеет смысл на ВЧ так как проще найти мощный npn-транзистор, чем pnp. В эмиттер второго транзистора (pnp) включен резистор который создает локальную ООС и улучшает линейность усилителя.

Замена понятна из следующего рисунка
double_sziklai_amplifier.png
double_sziklai_amplifier.png (17.18 KiB) Viewed 66428 times
Литература
1. Приемник коротковолновика-наблюдателя RX2121AM
UR5FFR
Site Admin
Posts: 2296
Joined: 21 Apr 2012, 22:00
Позывной: UR5FFR
Location: Odessa

Re: Составные транзисторы - пары Darlington и Sziklai

Post by UR5FFR »

Высокое входное сопротивление не всегда нужно. Можно конечно поставить параллельно входу резистор на землю и получить требуемый импеданс, но "это не наш метод" (с) :)
Попробуем получить требуемое входное сопротивление введением ООС. Схема
sziklai_feedback_amplifier_ur5ffr.png
sziklai_feedback_amplifier_ur5ffr.png (20.34 KiB) Viewed 66410 times
Усиление составляет Gain=1+R7/R5. Входное сопротивление зависит от Gain и R3, и не зависит от нагрузки! В случае если R8=R9 то Rin=R3/(Gain+1). Если R9 > R8 то формула более сложная Rin=R3/(Gain*R8/R9+1). Эти формулы приблизительные и не учитывают влияние R1 и входного сопротивления Q1, но их вполне достаточно для прикидки каскада.
Такая схема мне не встречалась и на мой взгляд обладает новизной. Ее можно использовать как post-mixer amplifier между смесителем и КФ
UR5FFR
Site Admin
Posts: 2296
Joined: 21 Apr 2012, 22:00
Позывной: UR5FFR
Location: Odessa

Re: Составные транзисторы - пары Darlington и Sziklai

Post by UR5FFR »

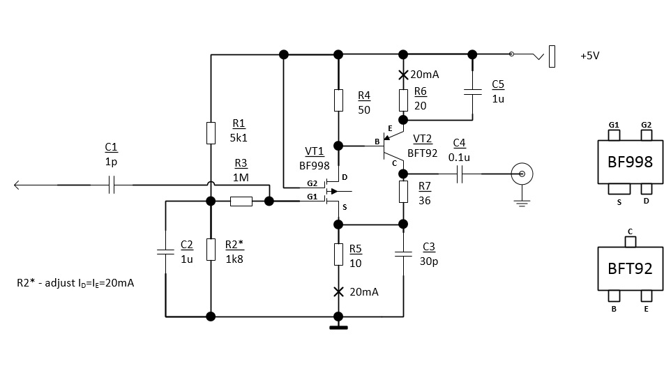
Использование пары Шеклаи иногда может привести к достаточно нетривиальным схемотехническим решениям.

Рассмотри каскодный усилитель на рисунке 1. нижний транзистор включен по схеме с общим эмиттером, а верхной - с общей базой. За счет этого минимизируется влияние емкости перехода коллектор-база (эффект Миллера), улучшается широкополосность и развязка входа с выходом. Но для хорошей работы такому усилителю нужно в два раза большее напряжение питания, так как транзисторы по постоянному току включены последовательно.

Чтобы улучшить параметры при низком напряжении питания переделаем схему чтобы транзисторы по постоянному току работали параллельно - рисунок 2. При этом транзистор работающий с включением ОБ стал другой проводимости.

Для снижения искажений и увеличения выходной мощности умощним его заменив на пару Шеклаи - рисунок 3. Этот усилитель представляет собой все тот же самый каскод ОЭ-ОБ, хотя внешне от кардинально отличается от привычного вида каскодного усилителя
sziklai_cascode_amplifier_ur5ffr.png
UR5FFR
Site Admin
Posts: 2296
Joined: 21 Apr 2012, 22:00
Позывной: UR5FFR
Location: Odessa

Re: Составные транзисторы - пары Darlington и Sziklai

Post by UR5FFR »

Возьмем 2ю схему из предыдущего поста, перевернем ее, а чтобы не изменять полярность питания заменим транзисторы на комплементарные. Далее первый транзистор заменим на составной по схеме Шиклаи. Получим следующую цепочку. Усилитель на схеме 3 похож на диффкаскад. Но таковым не является
sziklai_cascode_amplifier_ur5ffr_2.png
Post Reply