Трансивер Phoenix

UR5VCP
Posts: 196
Joined: 05 Mar 2020, 15:18
Позывной: UR5VCP

Трансивер Phoenix

Post by UR5VCP »

Поскольку Изюминка ДХ 2.0 работает и с ней все вопросы закрыты, все отлично, начал смотреть в сторону Феникса...

Андрей Николаевич, я так понимаю что в синтезаторе придется по любому ставить две микросхемы синтеза, то вопрос следующий, а можно ли использовать два выхода одной микры на первый смеситель, сможет она дать сигнал с нужным сдвигом? Прямо на полевики? И есть ли в этом смысл? Ну а вторую уже использовать по прямому назначению. И если можно, то придется менять режим ее для работы ТХ? Стоит ли огород городить?

И второй вопрос, если я использую один генератор то могу его завести на обе микросхемы синтеза, проблем по идее никаких не должно вылезти?
Conan
Posts: 47
Joined: 27 Apr 2021, 11:22

Re: Трансивер Phoenix

Post by Conan »

Насколько я понял - надо использовать две SI-шки:
- 1-я только для VFO
- 2-я - для BFO1 и BFO2

Image
UR5VCP
Posts: 196
Joined: 05 Mar 2020, 15:18
Позывной: UR5VCP

Re: Трансивер Phoenix

Post by UR5VCP »

Ну да, только я хотел от формирователя отказаться... хотя в принципе..
А так то да, две буду ставить, помаленько буду подзаказывать комплектуху...
UR5FFR
Site Admin
Posts: 2296
Joined: 21 Apr 2012, 22:00
Позывной: UR5FFR
Location: Odessa

Re: Трансивер Phoenix

Post by UR5FFR »

Надо ОБЯЗАТЕЛЬНО ставить две сишки. В идеале конечно первый гетеродин делать на SI570 если тянете по финансам (около 20$ на ибее). Никакого подключения сишки к полевикам - драйвер в смесителе на 74AC занимается раскачкой полевиков и достаточно ощутимо потребляет - теплый в процессе работы.
В синтезе на две сишки тактирование осуществляется от SMD активного генератора. На схеме их изображено аж три штуки X1/2/3 но ставится только один - это под разные корпуса заложено. Естественно генератор тактирует обе сишки.
начал смотреть в сторону Феникса
Феникс достаточто древний по схемотехнике :) Работать он будет - это как бы без вариантов. Но в Raisin DX2 ару поинтереснее сделана и S-метр правильнее. По хорошему надо бы сделать "рефакторинг" схемы и перевести все на смд. В результате получится нечто типа SW только с более лучшими параметрами. Но это не топ и по параметрам она до DX2 не дотянет по одной простой причине - широкий фильтр по первой ПЧ. Даже 7,5кгц это достаточно широко - это почти два соседних канала. И вот это все лезет через первый КФ и усиливается, хотя нам надо только 3кгц.

Если вы посмотрите схемы топовых буржуев у которых первая ПЧ в районе 70МГц, то увидите что при работе на частотах до 10МГц они не используют преобразование вверх! Там стоит отдельный высокодинамичный смеситель и КФ на 11МГц например. А вот для приема 14МГц и выше - тут уже преобразование вверх с высокой первой ПЧ. Тут они двух зайцев таким макаром убивают. На НЧ бендах важна динамика и не так важна чувствительность. А на ВЧ бендах динамика не столь критична, но важна чувствительность и избирательность - не мне вам говорить что с ПЧ в 9МГц ДПФ для 10ти метрового диапазона обычно достаточно компромиссный и зеркалку на частоте 28+9*2=46МГц он давит ну так себе.

Это я все к чему написал - делать клон SW, пусть даже простой, но с параметрами "ни рыба ни мясо" - не хочется на это тратить время. Ни свое, ни ваше :) Я считаю что надо двигаться вперед :)
Есть у меня набросок "простого" фронт-энда который умеет работать с двумя ПЧ - 45Мгц и 9МГц. Схема в атаче. Активные смесители - AD831 с гарантированным IP3=+25dBm. При работе на НЧ бендах - смеситель ключевой на FSA3157. В качестве буферных усилителей - MMIC. Вся коммутация - электронная, традиционно никаких релюшек. На схеме не показаны фильтры по ПЧ 9Мгц (SSB/AM) и их коммутация. Комплектуха вся доставаемая - на али есть.

Верхняя часть схемы - приемный тракт, нижняя - передача. Ключевой смеситель на FSA3157 - реверсивный и используется как при приеме так и при передаче.
При приеме либо сразу на него и дальше через диплексер на КФ 9МГц, либо на активный смеситель на AD831, потом КФ 45МГц, усилитель и опять же на смеситель на FSA3157 опускаемся до 9МГц. На плате два аттенюатора на 6/12дб и отключаемый УВЧ U11 который работает только на ВЧ бендах при преобразовании вверх. Нет фильтров по приему - скорее всего они сюда не поместятся - не хочется вылазить за 10*10см размер платы

При передаче всегда вначале с 9МГц до 45МГц поднимаемся, а потом уже опускаемся на частоту ПЧ - так проще фильтровать выходной сигнал от продуктов преобразования

Но это пока такой себе драфт (черновик). Неделю как нарисовал - пока отлеживается. Печатку не разводил - может еще какие идеи в голове появятся :)
Attachments
Super21 draft.png
UR5VCP
Posts: 196
Joined: 05 Mar 2020, 15:18
Позывной: UR5VCP

Re: Трансивер Phoenix

Post by UR5VCP »

Андрей Николаевич! Я никуда не спешу 8-) Сидю жду. Все равно заказывать мелочевку надо понемногу...
Conan
Posts: 47
Joined: 27 Apr 2021, 11:22

Re: Трансивер Phoenix

Post by Conan »

Вопрос чисто риторический: насколько убивает динамику расширение полосы с 3 кГц до 4 кГц?
Если фильтры 45/7.5 заменить на 21.4/4 - как это может повлиять?

P.S.: в приведённой схеме нет возможности воспользоваться предусилителем на НЧ бендах...
UR5FFR
Site Admin
Posts: 2296
Joined: 21 Apr 2012, 22:00
Позывной: UR5FFR
Location: Odessa

Re: Трансивер Phoenix

Post by UR5FFR »

Conan wrote:Вопрос чисто риторический: насколько убивает динамику расширение полосы с 3 кГц до 4 кГц?
Если фильтры 45/7.5 заменить на 21.4/4 - как это может повлиять?
Убивает динамику не столько расширение полосы сколько ДД каскадов которые работают в этой самой полосе. Вот к примеру в SW совсем чахлые каскады по 1й пч шириной в 15кгц. Ну и динамика соответственно никакая.
Смысла ставить фильтры на 21МГц нет никакого - вылетает диапазон 15м
Conan wrote:P.S.: в приведённой схеме нет возможности воспользоваться предусилителем на НЧ бендах...
Ага. Потому что он там не нужен. Разве что вы будете работать на суррогатную антенну системы гвоздь. Чувствительности тракта в 0.5-0.7мкв в SSB режиме вполне достаточно и без УВЧ
UR5FFR
Site Admin
Posts: 2296
Joined: 21 Apr 2012, 22:00
Позывной: UR5FFR
Location: Odessa

Re: Трансивер Phoenix

Post by UR5FFR »

Пока вырисовывается такая вот блок-схема. Развел печатку под фронэнд - уместился на 10*6см (это без фильтров). В принципе можно в качестве блока ПЧ подключить любой Raisin или другой тракт выбросив из него 1й смеситель и усилитель между смесителем и КФ - тоесть подав сигнал прямо на КФ. Но в планах есть продумать отдельную ПЧ плату - хочу чтобы АМ тоже принималось - фулиганов иногда послушать или вещалки.
super21_ur5ffr_block_diagram.png
Conan
Posts: 47
Joined: 27 Apr 2021, 11:22

Re: Трансивер Phoenix

Post by Conan »

Relayer wrote:хочу чтобы АМ тоже принималось - фулиганов иногда послушать или вещалки.
...в последнее время на "тройке" стали с FM фулиганить... иногда на "пионерском", на 120 и 150 м - но реже...
на перенастроенных СБ-шках...
АМ-детектор лучше конечно синхронный...
Conan
Posts: 47
Joined: 27 Apr 2021, 11:22

Re: Трансивер Phoenix

Post by Conan »

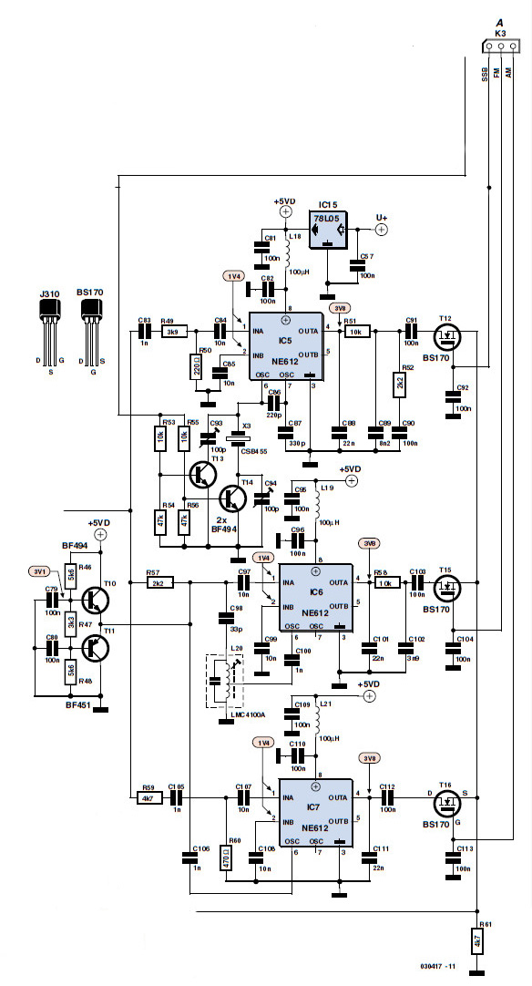
Проверенный блок детекторов.
Attachments
детекторы am-fm-ssb.jpg
Post Reply