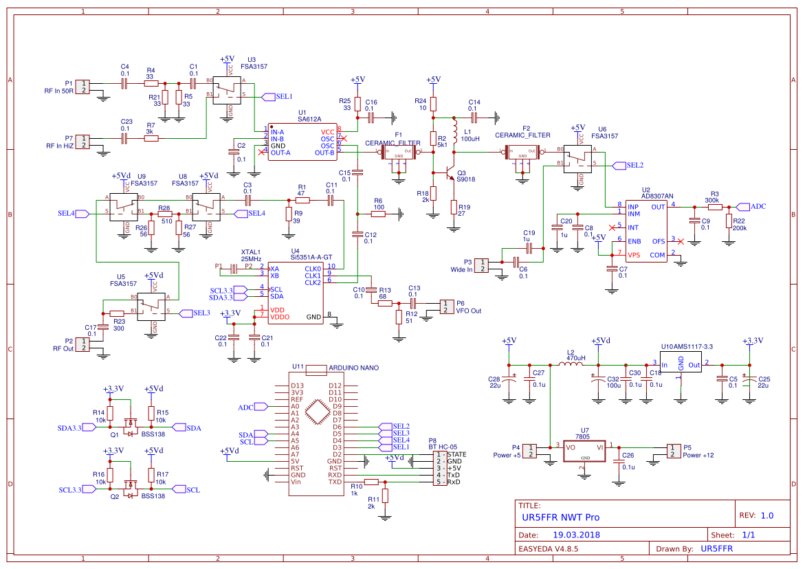
Дальнейшее развитие анализатора на Si5351 [1]. Особенности и отличия от базовой стандартной версии:
1. Встроенный отключаемый аттенюатор 20dB на выходе
2. Режим измерения модуля входного сопротивления исследуемого устройства
3. Наличие на плате стабилизатора 5в. Возможность питания как от USB так и от внешнего источника питания 5в..12в
4. Новая разводка платы. Раздельная аналоговая и цифровая земля.
В схеме используются решения обкатанные в Lite версии [2]
Конструкция и компоненты
Дроссели аксиальные. Вместо S9018 можно применить MMBT3904 или любой другой ВЧ транзистор с совпадающей цоколевкой. SA612 заменяется на SA602.
На плате присутствуют перемычки (см. PCB-1.3_wires.png). На перемычках между верхней/нижней землей не экономим
Программа на компьютере Si5351NWT.exe универсальная и автоматически определяет версию анализатора и его возможности. Включение аттенюатора производится в окне установки пределов качания частоты. Включение режима измерения модуля сопротивления - в окне выбора типа детектора.
Полный комплект документации, прошивка и софт в атаче.
Прошивка в атаче. Софт для управления и документация в отдельной теме
Reference
1. Si5351 Network Analyzer
2. Si5351 Network Analyzer Lite
Si5351 Network Analyzer Pro
Si5351 Network Analyzer Pro
- Attachments
-
- Si5351_NWT_Pro_UR5FFR.22.04.2018.zip
- (538.13 KiB) Downloaded 2641 times
Re: Si5351 Network Analyzer Pro
В собранном виде выглядит так
Второй фильтр ПЧ и AD8307 закрыты экранами
Второй фильтр ПЧ и AD8307 закрыты экранами
Re: Si5351 Network Analyzer Pro
Реализовано измерение на третьей гармонике, что позволило расширить частотный диапазон до 450MHz.
Обновлена прошивка и софт в первом посте.
После обновления прошивки необходимо заново провести калибровку "нуля" и измерителя импеданса по обеим входам. Slope и частоту перекалибровывать не надо.
Обновлена прошивка и софт в первом посте.
После обновления прошивки необходимо заново провести калибровку "нуля" и измерителя импеданса по обеим входам. Slope и частоту перекалибровывать не надо.
Re: Si5351 Network Analyzer Pro
Обновлена программа до версии 1.5. Добавлен режим измеренеия и подбора кварцевых резонаторов (см. Подбор кварцевых резонаторов для фильтров)
Re: Si5351 Network Analyzer Pro
Прошивка 2.0 от 15.05.2020
- обновлена библиотека работы с Si5351
- расширен частотный диапазон до 600МГц
- улучшена шумовая дорожка в диапазоне 150..200МГц
- по команде 'x' значение частоты кварца опоры Si5351 записывается в EEPROM и автоматически считывается при старте прошивки. дефолтное значение прописано в SI5351_CALIBRATION
- добавлена команда 'j' - перебирает частоту фильтра ПЧ и ищет максимум передачи (при этом вход-выход надо замкнуть и выполнить команду f3000000 - чтобы на выходе появился сигнал). после нахождения масимума запоминает значение в EEPROM. при выполнении поиска частоты фильтра должна быть точно прописана частота используемого кварца
После перепрошивки необходимо:
1. В окне монитора задать калибровочную частоту с помощью команды 'x'. Если она не известна то дать команду 'c' и измерить ее на выходе
2. Соеденить вход-выход. Дать команду f3000000.
3. Дать команду 'j'. Дождаться пока прошивка найдет частоту ПЧ - будет столбик цифр частота/амплитуда. Закончится должно примерно так: "465500 4965". Если закончилось с амплитудой менее 4700-4800 это говорит о проблеме с прохождением сигнала. Проверьте кабель и наличие сигнала на выходе/входе
4. Запустить программу и откалибровать "ноль". Для тех кто перешел на 3ю версию программы с 1.х и у кого в приборе есть широкополосный вход можно откалибровать вольтметр (VMeter в окне калибровки).
Прошивку можно использовать с версией программы не менее 3.2
- обновлена библиотека работы с Si5351
- расширен частотный диапазон до 600МГц
- улучшена шумовая дорожка в диапазоне 150..200МГц
- по команде 'x' значение частоты кварца опоры Si5351 записывается в EEPROM и автоматически считывается при старте прошивки. дефолтное значение прописано в SI5351_CALIBRATION
- добавлена команда 'j' - перебирает частоту фильтра ПЧ и ищет максимум передачи (при этом вход-выход надо замкнуть и выполнить команду f3000000 - чтобы на выходе появился сигнал). после нахождения масимума запоминает значение в EEPROM. при выполнении поиска частоты фильтра должна быть точно прописана частота используемого кварца
После перепрошивки необходимо:
1. В окне монитора задать калибровочную частоту с помощью команды 'x'. Если она не известна то дать команду 'c' и измерить ее на выходе
2. Соеденить вход-выход. Дать команду f3000000.
3. Дать команду 'j'. Дождаться пока прошивка найдет частоту ПЧ - будет столбик цифр частота/амплитуда. Закончится должно примерно так: "465500 4965". Если закончилось с амплитудой менее 4700-4800 это говорит о проблеме с прохождением сигнала. Проверьте кабель и наличие сигнала на выходе/входе
4. Запустить программу и откалибровать "ноль". Для тех кто перешел на 3ю версию программы с 1.х и у кого в приборе есть широкополосный вход можно откалибровать вольтметр (VMeter в окне калибровки).
Прошивку можно использовать с версией программы не менее 3.2
- Attachments
-
- NWT_Pro 2.0 15.05.2020.zip
- (7.33 KiB) Downloaded 1805 times
Re: Si5351 Network Analyzer Pro
Здравствуйте! Прошу прощения за беспокойство. В Одесском форуме зарегистрироваться не удалось, да и вроде вы уже там по известной причине не пишите ничего больше.
Я обнаружил, что по команде "x" в мониторе порта не происходит запись частоты кварца в ЕЕПРОМ. При следующем включении анализатора частота кварца снова дефолтная. В тексте скетча отсутствует строчка для записи в ЕЕПРОМ. Я мог бы вероятно сам добавить строчку, но посчитал нужным сначала сообщить вам об этом.
В скетче прошивки Pico NWT такая строчка присутствует, я посмотрел.
Вероятно по той же причине не происходит запись частоты кварца в ЕЕПРОМ из софта в меню Calibration > XTal Frequency.
Я обнаружил, что по команде "x" в мониторе порта не происходит запись частоты кварца в ЕЕПРОМ. При следующем включении анализатора частота кварца снова дефолтная. В тексте скетча отсутствует строчка для записи в ЕЕПРОМ. Я мог бы вероятно сам добавить строчку, но посчитал нужным сначала сообщить вам об этом.
В скетче прошивки Pico NWT такая строчка присутствует, я посмотрел.
Вероятно по той же причине не происходит запись частоты кварца в ЕЕПРОМ из софта в меню Calibration > XTal Frequency.
Last edited by RA3PKJ on 23 Dec 2020, 03:22, edited 1 time in total.
Re: Si5351 Network Analyzer Pro
Это не сильно критично т.к. софт с компа всегда после конекта к прибору выставляет частоту кварца из настроек. В прошивке надо поправить код обработки команды 'x'
Code: Select all
case 'x':
// задать калибровочную частоту
// x 25003566
ReadNumber(p,&xfreq);
if (xfreq >= XTAL_MIN && xfreq <= XTAL_MAX) {
eeprom_write_block(&xfreq, &XTAL_FREQ_EEMEM, sizeof(xfreq));
vfo5351.set_xtal_freq(xfreq);
}
break;
- Attachments
-
- NWT_Pro 2.1 21.12.2020.zip
- (7.34 KiB) Downloaded 1568 times
Re: Si5351 Network Analyzer Pro
Спасибо. А что вы имеете ввиду - софт с компа всегда после конекта к прибору выставляет частоту кварца из настроек.
Это настройки из файла Si5351NWT.ini ? У меня в этом файле частота кварца не прописывалась в моих экспериментах.
Сейчас прошивку новую залью.
Это настройки из файла Si5351NWT.ini ? У меня в этом файле частота кварца не прописывалась в моих экспериментах.
Сейчас прошивку новую залью.
Re: Si5351 Network Analyzer Pro
В программе в окне настроек/калибровки есть закладка с частотой кварца. пропишите там правильную частоту и нажмите save. В дальнейшем при старте программы и конекте к прибору программа сама выполнит каманду x и отправит в прибор правильную частоту
Re: Si5351 Network Analyzer Pro
Спасибо. Теперь всё работает. Из монитора порта и из софта прописывает в ЕЕПРОМ.
ОК!
ОК!